您的位置:首页 > 产品中心

产品中心| PRODUCT

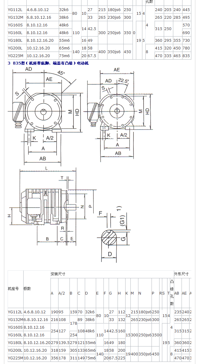
YG、YGa、YGb、YGP辊道、辊道变频电机

     我公司生产的YG系列(H100-200)是在JG2系列的基础上,参考ABB公司的RM系列改进设计而成的新一代高可靠性辊道电机,它具有体积小、重量轻、性能好、使用可靠、维修方便等优点。并增加了轴承润滑脂在补给装置,采用了耐高温润滑剂,加强了机械强度,其综合技术经济指标达到国内先进水平,与ABB公司RM系列辊道电机相当。
      YG系列辊道电机能够在频繁起制动、正反转、反接制动等冲击性载荷和高温、多灰尘环境的恶劣条件下连续工作,具有较高的过载能力,为冶金企业工作辊道和运输的专用电机,也可应用于其它机械设备上。
型号说明: 
 




  • 上一条信息:暂无相关信息!
  • 下一条信息:暂无相关信息!